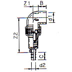
3.80 Drain valve complete


   
Artikel Code  d1  d2  Z1  Z2  PN  Verp. 
3.80.025  32  16  17  112  22  25  150