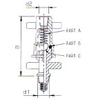
4.50 Nozzle non return valve


     
Artikel Code d1 d2 Verp. 
4.50.050 "WW3/8""" "WW3/8""" 57 1000 (4x250) 
4.50.051 M11 "WW3/8""" 57 1000 (4x250) 
4.50.052 M11 M11 57 1000 (4x250)