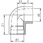
4.80 Swing elbow


   
Artikel Code  d1  d2  Z1  Z2  PN  Verp. 
4.80.033  SWDR 32  32  48  17  22  10  100 
4.80.051  SWDR 50  50  74  26  31  10  50