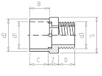
PVC-C Adaptor nipple
| Artikel Code |
d1 |
d2 |
d3 |
Z |
B |
C |
D |
S |
PN |
Verp. |
| 7015202021 |
20 |
|
1/2" (M) |
5 |
14 |
16 |
16 |
32 |
16 |
10 |
| 7015202501 |
25 |
32 |
1" (M) |
11 |
22 |
19 |
17 |
36 |
16 |
10 |
| 7015202511 |
25 |
32 |
3/4" (M) |
11 |
22 |
19 |
21 |
36 |
16 |
10 |
| 7015203201 |
32 |
40 |
1 1/4" (M) |
14 |
26 |
22 |
21 |
46 |
16 |
10 |
| 7015203211 |
32 |
40 |
1" (M) |
14 |
26 |
22 |
23 |
46 |
16 |
10 |
| 7015204001 |
40 |
50 |
1 1/2" (M) |
15.5 |
31 |
26.5 |
23 |
55 |
16 |
10 |
| 7015204011 |
40 |
50 |
1 1/4" (M) |
15.5 |
31 |
26.5 |
23 |
55 |
16 |
10 |
| 7015205011 |
50 |
63 |
2" (M) |
18 |
38 |
31.5 |
27 |
65 |
16 |
5 |
| 7015205021 |
50 |
63 |
1 1/2" (M) |
18 |
38 |
31.5 |
23 |
65 |
16 |
5 |
| 7015206321 |
63 |
75 |
2" (M) |
1 |
44 |
38 |
27 |
80 |
16 |
5 |