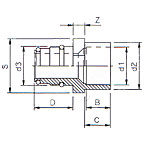
4.80 Ниппель переходный


     
Artikel Code  d1  d2  d3  PN  Verp. 
4.80.034  32  40  SWDR 32  10  22  26  34  46  10  100 
4.80.052  50  63  SWDR 50  12  31  38  50  64  10  50