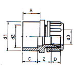
| Artikel Code | d1 | d2 | d3 | Z | B | C | D | S | PN | Type | Verp. |
| 5.20.005 | 50 | 40 | 32 | 23 | 27 | 32 | 15 | 31 | 15 | Soft | 200 |
| 5.20.010 | 50 | 40 | 32 | 23 | 27 | 32 | 15 | 31 | 15 | Hard | 200 |
| 5.20.015 | - | 50 | 40 | 26 | 33 | 32 | 17 | 32 | 17 | Soft | 100 |
| 5.20.020 | 75 | 63 | 50 | 43 | 44 | 38 | 13 | 38 | 13 | Soft | 50 |
| 5.20.025 | 90 | 75 | 63 | 51 | 50 | 44 | 13 | 44 | 13 | Soft | 25 |
| 5.20.030 | 110 | 90 | 75 | 55 | 61 | 51 | 21 | 51 | 21 | Soft | 18 |
| 5.20.035 | 125 | 110 | 90 | 48 | 60 | 61 | 21 | 61 | 21 | Soft | 10 |